Реализация десяти импульсного кодирования данных
Недавно мы обнаружили очень полезный коммуникационный протокол, который значительно снижает энергопотребление передатчика. Это 10-импульсное кодирования данных, которое использует интервалы между короткими импульсами для кодирования нулей и единиц в байте. Таким образом, передатчик должен излучать только во время импульсов, что значительно увеличивает срок службы батареи. Кроме того, приемник может автоматически адаптироватся к скорости передачи данных. Мы взяли в качестве прототипа программу, разработанную для аналогичного проекта от одной известной фирмы. Схемы почти такие же, как и в предыдущих экспериментах и используют двухпроводный интерфейс для ЖК-модуля, для отладки. Передатчик посылает текстовую строку при нажатии на кнопку и эта строка отображается на дисплее на стороне получателя.

Схемы TXM и RXM 433
Важный вопрос состоит с шириной импульса, которую следует использовать. После многочисленных экспериментов мы пришли к значению 100 мкс, что соответствует примерно 5 кБит/сек скорости на максимальной 10 кБит/с, которую поддерживает модуль передатчика. Получается, что уменьшение длительности импульса в 2 раза приводит к менее уверенному приему. Также, в диапазоне 433 МГц имеется немало шумов в виде нескольких хаотических импульсов на выходе приемника. Дальнейшее уменьшение ширины импульса делает трудным различие между сигналом и шумом. Таким образом, добились хорошего баланса между чувствительностью приемника и фильтрацией шумов.


Программа для передатчика начинается с того, что после нажатия кнопки передатчик будет вызван из спящего состояния и отправлен обратно в сон после передачи данных. Это значительно снижает энергопотребление модуля. Текущие настройки обеспечивают зазоры между импульсами для передачи 0 и 1 810 мксек и 1890 мксек, соответственно, в то время как эталонный зазор — шириной 1350 мксек. Таким образом передача одного байта колеблется между 7.8 и 15.1 мсек, в результате чего скорость передачи данных примерно 66 и 128 байт/сек. Этого более чем достаточно для большинства дистанционно управляемых устройств.

Радиолиния была проверена путем размещения блоков в помещениях, расположенных на разных этажах частного дома с расстоянием 50 метров. Прием испытательного сигнала был стабильный и без ошибок.
Фото аудио передатчиков

















https://youtube.com/watch?v=fq2cVW5kMOE
Также рекомендуем просмотреть:
- Полировка фар своими руками
- Строительные леса своими руками
- Точилка для ножей своими руками
- Антенный усилитель
- Восстановление аккумулятора
- Мини паяльник
- Как сделать электрогитару
- Оплетка на руль
- Фонарик своими руками
- Как заточить нож для мясорубки
- Электрогенератор своими руками
- Солнечная батарея своими руками
- Течет смеситель
- Как выкрутить сломанный болт
- Зарядное устройство своими руками
- Схема металлоискателя
- Станок для сверления
- Нарезка пластиковых бутылок
- Аквариум в стене
- Врезка в трубу
- Стеллаж в гараж своими руками
- Симисторный регулятор мощности
- Фильтр низких частот
- Вечный фонарик
- Нож из напильника
- Усилитель звука своими руками
- Трос в оплетке
- Пескоструйный аппарат своими руками
- Генератор дыма
- Ветрогенератор своими руками
- Акустический выключатель
- Воскотопка своими руками
- Туристический топор
- Стельки с подогревом
- Паяльная паста
- Полка для инструмента
- Пресс из домкрата
- Золото из радиодеталей
- Штанга своими руками
- Как установить розетку
- Ночник своими руками
- Датчик влажности почвы
- Счетчик Гейгера
- Древесный уголь
- Wi-Fi антенна
- Электровелосипед своими руками
- Ремонт смесителя
- Индукционное отопление
- Стол из эпоксидной смолы
- Трещина на лобовом стекле
- Эпоксидная смола
- Как поменять кран под давлением
- Кристаллы в домашних условиях
Помогите проекту, поделитесь в соцсетях
Печатная плата и детали

Этот передатчик также оснащен микшером, поэтому не нужно использовать внешнее устройство для смешения аудио. Он состоит из транзистора T1, который усиливает сигнал поступающий от микрофона, прежде чем он подмешается к сигналу, поступающему от проигрывателя компакт-дисков или компьютера. Элементы R1 и R2 являются потенциометрами отвечающими за настройку уровня аудиосигнала. Участок схемы между резистором R8 и конденсатором C21 является генератором, который генерирует несущую. Элемент D1 представляет собой так называемый варикап, то есть диод, который действует как конденсатор с переменной емкостью, что управляется аудиосигналом. Конденсаторы C12, C13 и катушка L1 определяют частоту работы.
Разработка коммуникационного протокола
Проблема, с которой мы сталкивались в представленном выше эксперименте в том, что радиочастотный канал заполняют другие сигналы, поэтому TX модуль принимает что-то даже если TX модуль выключен. Следовательно, нам нужен способ различать наши сигналы и чужие. Мы можем различить появление нужной передачи 0 и 1, направив пакет тонов различной длительности. После многочисленных экспериментов был выбран 250 мксек период для последовательной передачи данных. А 0 и 1 сигналы устанавливаются 150 мксек и 200 мксек, соответственно. Таким образом 1 байт, отправленный TX модулем предшествует 400 мксек синхронизирующего импульса. На рисунке ниже показана осциллограмма, отправления байта 00110100.

PIC программа для TX модуля здесь. Программа начинается примерно через 2 сек задержка, которая необходима для предотвращения отправки случайных данных сразу после включения питании. TX модуль питается от одной батареи АА, чье напряжение поднимается до 3.3 В микросхемой MAX756.


Передающая часть
Приемник является чуть более сложным. Он также работает на MAX756, которое преобразует 1,5 В АА батареи в 5 В. На 330 Ом резисторе падает напряжение до 3 В. Можно, конечно, поставить MAX756 в 3,3 В режиме, но нам нужно 5 В для запитки других устройств, подключенных к модулю приемника.


Приёмная часть
Приемная программа реализована в виде конечного автомата с двумя состояниями. State0 является стартовой. В этом состоянии мы дожидаемся синхронизации импульсов. Вначале компаратор PIC указывает на передачу. После этого мы измеряем длину полученного импульса. Если она значительно ниже — его игнорируют и схема остаётся в том же состоянии в ожидания очередного импульса. Пороговое значение установлено экспериментально и является оптимальным.
Как только нужный синхроимпульс получен, двигаемся к state1. В этом состоянии мы получаем 8 бит и можем скомпоновать их в байте. Переход в это состояние возможен только если передатчик посылает достаточно долго синхронизирующий сигнал. После измерения длины полученного импульса мы сравниваем ее с порогом. Если импульс слишком короткий, удаляем его и возвращаем обратно state0. В противном случае, проверяем длительность импульса против другого уровня, чтобы различить его между 0 и 1. В результате полученный бит хранится в виде с-бита в регистре статуса и используя сдвиг влево включаем его в байт. После приема 8 бит мы вернемся к state0 и процесс повторяется.
Чтобы проверить, что действительно получен байт, который был послан передатчиком, заставим мигать светодиод соответствующее число раз (4 раза в текущей настройке). После этого ждем около 2 сек и возвращаем обратно state0 получать очередной байт.
Схема передатчика видеосигнала

Пояснять особо нечего по работе схемы: задающий генератор на ПАВ (резонатор на поверхностно акустических волнах), УВЧ, амплитудный модулятор с регулировкой уровня, линейности и глубиной модуляции. Питание передатчика 6 вольт, ток потребления порядка 180 mA, мощность в антенне около 100 мВт, по квартире сигнал уверенный через 3 стены, качество картинки отличное! При дерганье за антенну картинка не срывается. Антенной был первоначально взят провод ПЭВ-2 1,5, длина 20 см. Размеры платы первого варианта сборки 43 х 36 мм, типоразмер SMD 1206, катушек — SMD 1210.

В качестве источника сигнала бралась дешёвая цветная камера от видеоглазка. Вэбкамера компьютера сюда не пойдёт, нужен именно аналоговый сигнал. А в вебкамере, как известно, цифровой.

На приемной стороне использовался обычный маленький черно-белый телевизор с невысокой чувствительностью — специально. Плата передатчика видеосигнала двусторонняя, нижний слой фольги — сплошной экран, соединенный с землей лицевой стороны.

В оригинальной схеме конденсатора 4,7 пФ не было — ОС генератора на паразитной ёмкости работала, поэтому он может понадобиться.

После успешных испытаний переделал плату с уплотнением монтажа и переходом на SMD элементы типоразмером 0805, индуктивности размер 1008. ПАВ, как планировал SMD не нашел пока, пришлось лепить выводной (размеры платы не меняются при этом). Они есть в сигах, есть в брелках к ним, есть в радиозвонках китайских, но вещь не особо распространенная. Посмотреть таблицу ПАВ можно здесь.

Сигнал очень уверенный, даже при сложенной антенне на телевизоре картинка по качеству не теряется. Качество принимаемого сигнала практически как по проводам. Схема с доработками запустилась сразу и без настройки. Размер новой платы теперь 27,5 х 26,5 мм, то что получилось смотрите на фото:

Это плата последнего варианта, более компактная, стрелкой указана перемычка над транзистором. Упаковал в корпус передатчик видео, а далее в плане соорудить DC-DC преобразователь от Li-Ion аккумулятора.

Теперь про дальность работы видеопередатчика. Автор обещает до 300 м в цвете и до 500 метров в ч/б режиме. Но провели экспиеримент по дальности и результат превзошёл! Уверенная дальность приема более 800метров! Антенна приемная — родной телескоп ТВ 50 см. Питание передатчика почти 5 вольт, ток потребления 120 мА, можно поднять и до 6 В, ток при этом выростает до 180 мА. соответственно и дальность. Передатчик собрал и испытал ГУБЕРНАТОР.
Обсудить статью ПЕРЕДАТЧИК ВИДЕОСИГНАЛА
Каким образом FM-трансмиттер получает питание внутри салона
В зависимости от конкретной модели, FM-трансмиттеры обычно можно запитать двумя способами: через USB, а также через прикуриватель. В первом случае понадобится источник питания — к примеру, автомобильный блок. Во втором случае гаджет может содержать один или пару USB и заряжать другие девайсы.
Когда речь заходит об использовании FM-трансмиттеров, которые устанавливаются напрямую в прикуриватель, важно изучить, с каким напряжением они работают. Легковые автомобили обычно выдают 12 В, а вот грузовики иногда комплектуются и розетками на 24 В
Хорошим модуляторам по плечу оба варианта.
Одноканальный пульт дистанционного управления
Сейчас мы попробуем реализовать 1 канал управления при наличии различных помех. Для этого устанавливаем передатчик в режим генерации симметричных квадратных импульсов, период которого регулируется переменным резистором. Он подключен к PIC входу АЦП и напряжение преобразуется как параметр задержки. Период модулирующего сигнала может быть настроен с шагом в 100 мксек начиная от 500 мксек и до 255х100+500 = 26 мсек, что соответствует полосе модулирующих частот от 2000 Гц до 30 Гц, соответственно.
Схема передатчика на одну команду
Приемник позволяет регулировать чувствительность приема сигнала и настроиться на конкретную частоту модуляции. Он использует аналоговый выход. Напряжение на этом выходе пропорционально уровню сигнала. Когда нет сигнала, постоянное напряжение на этом выходе составляет около 1.1 В. это напряжение поступает на неинвертирующий вход встроенного в микроконтроллер компаратора. Инвертирующий вход этого компаратора подключенный к правому (по схеме) переменнику. Напряжение на этом входе должно быть немного больше, чем на неинвертирующем и оно определяет чувствительность системы. На выходе компаратора считывается код и длительность импульсов на его выходе измеряется в единицах, чье числовое значение задается левым (на схеме) подстроечником. Он соединён с АЦП. Таким образом вся система может быть настроена для реагирования на частоту модуляции, и больше ни на какие другие частоты. Следовательно, он работает как частотный селективный фильтр, настроенный переменным резистором.
Схема приёмника на одну команду
При настройке системы сначала выбирает частоту модуляции в передатчике. После этого настраивают приемник, медленно вращая переменник влево. Обе ручки должны быть в примерно одинаковом положении для синхронизации. Файлы проекта в общем архиве.
Обсудить статью ПЕРЕДАЧА ЦИФРОВЫХ ДАННЫХ ПО РАДИОКАНАЛУ
Принципиальная схема простого трансмиттера
Это устройство для трансляции звука я использовал, чтобы можно было слушать нужную мне музыку находясь на небольшом расстоянии от дома, например в гараже, и принимать сигнал на обыкновенное FM радио. Печатная плата формата lay есть — скачать.

Аналогом импортного кремниевого биполярного n-p-n транзистора bc547 является отечественный кт3102. Чем выше коэффициент усиления транзисторов, тем мощнее будет аудио-передатчик. Если хотите сделать устройство миниатюрным, применяйте транзисторы в корпусе sot-23: BC847. На картинке ниже видно расположение базы, коллектора и эмиттера.

Лучшим, на мой взгляд, питанием для схемы будут служить две батарейки AA по 1,5 В соединённые последовательно. Вместе они будут давать напряжение три вольта. Время работы зависит от тока потребления, а также от ёмкости батареек. Обычно чем выше их стоимость, тем они лучше. К примеру, если использовать достаточно дорогие батарейки GP Ultra Alkaline, с заявленной производителем ёмкостью 3,1 A при токе в цепи 8 mA данное устройство сможет без перерыва проработать, грубо говоря 387 часов. Проблема в том, что “высосать” весь заряд батареи очень сложно. Поэтому реально схема проработает без выключения и со стабильной передачей сигнала приблизительно 150 часов, или почти 7 дней.

Катушка имеет шесть витков медного изолированного провода сечением 0,3-0,5 мм. Эту катушку мотаем на пасте от ручки.

При испытаниях устройства ток в цепи составил почти 10 mA.

Поймать частоту трансмиттера очень просто крутя подстрочный конденсатор и “играя” катушкой, сдвигая и раздвигая её витки. Я “поймал” свой трансивер на частоте 89,90 МГц.

Данную схему собрал на smd деталях, только транзисторы взял в корпусе TO92. Антенна – кусок медного провода, чем больше — тем лучше. Если просто дотрагиваться до провода антенны, то частота не уходит, а если взять в руки — начинаются шумы в наушниках приёмника.

Звук пробовал передавать как с компьютера, так и с телефона. Слишком громкий сигнал передаётся с многочисленными шумами и хрипами, оптимальную силу звука настраивается подстрочным резистором. В общем, качество передачи аудио-звука довольно неплохая. Принимал на чёрно-белый телефон Nokia, а звук слушал в наушниках. Никаких больших проблем приёма не возникло.

Видео работы передатчика звука ниже. Песня: bwb – мои пацаны.
Радиопередатчики
|
|
|||||
|
В статье рассмотрена схема маломощного FM передатчика. У вас есть возможность сделать этот FM передатчик своими руками. При питании от источника 9 В радиус действия около 45 метров, а при 12 В, FM трансмиттер увеличит радиус действия до 60 метров. Следует отметить, что этот FM передатчик вряд ли получится использовать, как электронный жучок. Но скорее всего, он будет полезен автолюбителям, еще не готовым заменить свою штатную аудиосистему, но имеющих современный мобильный телефон и желающих прослушивать свои любимые композиции с мобильного телефона через штатный FM приемник автомобиля. Или в качестве радио-няни. Схема передатчика FM:
Пояснения по схеме FM передатчика: Катушки L1 и L2 представляют собой 5 витков эмалированного провода сечением 0,08 мм2, намотанной на сердечнике диаметром около 4 мм. В качестве такого сердечника можно использовать подходящий стержень от шариковой ручки. После намотки аккуратно снимите получившуюся катушку со стержня и установите на плату, чтобы не погнуть витки. Подстройка частоты выполняется конденсатором C5. Этот передатчик работает на нормальных частот вещания (88 — 108 MHz). Допускается замена транзисторов VT1 и VT2 на аналогичные, например, на 2N3904. Вы можете использовать резисторы мощностью 0,25 Вт, установив их вертикально, вместо резисторов 0,125 Вт. Конденсатор С3 может быть взят 0,01 мкФ. После изготовления FM передатчика своими руками, проверьте необходимость наличия антенны, возможно, она и не потребуется для работы. Если вы желаете использовать рассмотренную схему передатчика FM в качестве радио-няни, то на место аудио-входа необходимо установить микрофон.
|
|||||
|
|||||
|
|||||
Как создать радиоволну с телефона: понадобится FM-трансмиттер
FM-трансмиттер также иногда называют FM-модулятором. Это — особенный гаджет, который умеет преобразовывать поступающий на него цифровой аудиосигнал в аналоговый вид и передавать его через радиоволны. Именно такое устройство, за которое не просят слишком много денег, понадобится для решения задачи материала — после активации модулятора на магнитоле достаточно будет лишь необходимую частоту радио выбрать.
FM-трансмиттер — отличный способ использовать современные стриминговые сервисы вместе с любыми магнитолами, которые оборудованы радио. Они могут быть кассетными или дисковыми: лично я не видел ни одной мультимедийной системы без радио даже в отечественных моделях родом из 80-х.
Дополнительные возможности FM-трансмиттеров для автомобиля
Так как на рынке внушительное число FM-трансмиттеров на любой вкус, производители стараются всеми силами привлечь внимание пользователя именно к своим моделям. Для этого они снабжают их самыми разнообразными дополнительными возможностями, которые пригодятся в салоне автомобиля
Вот некоторые из них:
Встроенная зарядка. FM-модуляторы, которые устанавливаются в прикуриватель авто, часто оснащаются USB-выходами для зарядки других гаджетов. Это особенно полезно, когда в машине только одна розетка, и занимать ее одним лишь трансмиттером не хочется.
Поддержка USB-накопителей. Эта возможность уже упоминалась в данной статье, но я отношу ее к дополнительным из-за того, что в текущем материале идет речь именно о передаче музыки со смартфона на автомобильную магнитолу. Поддержка флешек иногда не будет лишней.
Управление воспроизведением. Многофункциональные модуляторы иногда также оборудованы кнопками для переключения треков. Тем не менее, как показывает личный опыт, они чаще всего не работают при использовании аудио со смартфона по Bluetooth-подключению.
Пульт дистанционного управления
Если FM-трансмиттер воспринимается в роли полноценной замены для автомобильной мультимедийной системы, есть смысл обратить внимание на модели с пультом ДУ. Обычно на них есть контроль громкости, переключение треков и другие функции
Использование в роли гарнитуры. Некоторые модуляторы кроме прочего оснащены и возможностью «Свободные руки» для общения за рулем по громкой связи. Такие обычно комплектуются микрофоном для входящих и исходящих вызовов, который заменяет штатный в смартфоне.
15 Вт УВЧ для диапазона 88-108MHz

Усилитель мощности ВЧ усиливает все частоты 88-108МГЦ с входной 1 Вт мощности, полученной от FM передатчика, до 15 Вт. Схема включает в себя многоуровневый фильтр низких частот и имеет высокую эффективность. С хорошей антенной ожидаемый радиус передачи не менее 20 км. Он использует RF транзистор высокой мощности 2SC1972 (175 МГц, 4 А, 25 Вт), который должен быть установлен на радиатор для рассеивания избыточного тепла.
Катушки индуктивности L1-L6 проводом 0.8 мм с диаметром каркаса около 5 мм. Если сюда поставить транзистор C2538 — мощность будет еще больше.
Схема при отладке обязательно должна подключаться с эквивалентом нагрузки, например резистор на 50 Ом 10 Ватт. Мощность источника питания не менее 2,5 ампера, сопротивление антенны строго 50 Ом. Настройку введите только с питающим напряжением сниженным до 9 Вольт, при замере высокочастотного напряжения на антенном выходе не нужно использовать обычный мультиметр — будут ложные показания из-за наводок на микросхемы прибора.
Как настроить качественное воспроизведение музыки с FM-модулятора
Из проблем, связанных с эксплуатацией ретранслятора, в категорию массовых попадают всего две:
- Помехи, посторонние шумы в виде хрипов и шипения при проигрывании музыки в салоне автомобиля.
- Низкое качество воспроизводимого аудио.
Основное же недовольство от первого использования FM-трансмиттера состоит в том, что конечное качество звука еще хуже, чем у любого городского радио с хорошим сигналом. В частности, устройство хорошо «режет» низкие и высокие частоты. В итоге, аудио звучит еще хуже, чем с диска.
Именно поэтому грамотные водители советуют использовать проводную связь (выход AUX). К слову, некоторые FM-модуляторы позволяют установить такое соединение со штатной акустикой, и наладить таким образом связь между USB-флешкой и старенькой автомагнитолой.
Есть и другой выход. Если вы не принадлежите к касте аудиофилов, поправить ситуацию можно эквалайзером, встроенным в FM-ретранслятор:
- Выключить фильтр высоких частот.
- Понизить фильтр низких частот до 160 Hz.
- Добавить единиц к «низким» и «высоким» в соответствующих категориях.
При наличии предустановленных программ в меню эквалайзера выбирайте «POP» или «JAZZ».
Как подключить FM-трансмиттер к автомагнитоле
Прежде, чем присоединять гаджет к автомобильному магнитофону, необходимо подать на него питание. Как и зеркало-видеорегистратор с камерой для съемки салона, практически все современные модели ретрансляторов питаются от гнезда прикуривателя. Это удобно, но в то же время вызывает дискомфорт, поскольку такая розетка в машине, как правило, одна. Тройник решает эту проблему, но итоговая конструкция громоздка, и портит целостность картины интерьера автомобиля. Оптимальное решение – вынести дополнительное гнездо 12В в удобное и малозаметное место, и подключить модулятор радиоволн к нему. Когда вопрос с питанием решен, приступайте к наладке.
Условно модели FM-трансмиттеров можно разделить на два класса c функцией Bluetooth и без нее. Дележку мы ввели неспроста – эти устройства настраиваются по-разному, отчего объединять их наладку в один мануал было бы не совсем правильно.
Как настроить радио на прием сигнала с USB/Flash FM-модулятора
- Установить флешку в трансмиттер.
- Подключить устройство к бортовой сети через прикуриватель.
- Включить радио на автомагнитоле, и найти свободную частоту. Запомнить ее.
- Настроить ретранслятор на частоту радиовещания, найденную в предыдущем пункте. Настройка выполняется либо клавишами на самом автогаджете, либо с помощью пульта дистанционного управления, который идет в комплекте с ним. Кнопки чаще именуются как «CH-» и «CH+».
Как включить автомагнитолу на прием с Bluetooth FM-трансмиттера
Основная идея коммутации автомобильной мультимедийной системы с модулятором остается той же – оба устройства должны работать на одной радиочастоте, которая должна быть свободной от эфира. На примере Xiaomi Roidmi 3S можно отметить первую особенность настройки данной группы устройств: выбор радиоканала на ретрансляторе производится в мобильном приложении.
Для этого трансмиттер необходимо вставить в разъем прикуривателя и подключится к нему с телефона по Bluetooth. По умолчанию уже будет установлена определенная частота (у Roidmi 3S это 96,4 MHz). Контроль Bluetooth-соединения выполняется визуально – по режиму работы светодиода на модуляторе:
- Лампа моргает – соединение не установлено.
- Светодиод горит – смартфон успешно подсоединился к автогаджету.

В целом же настроек в мобильном предложении предостаточно. Например, предоставлена возможность активировать функцию переключения музыкальных треков потряхиванием телефона, поставить галочку напротив режима Hands-free. Еще можно поиграться с настройками эквалайзера. К слову, опытные владельцы FM-модуляторов возлагают большие надежды на этот инструмент, и мы расскажем, почему.
Список элементов передатчика
Резисторы
- R1, R2 потенциометры 10 кОм
- R3 820 кОм
- R4 4,7 кОм
- R5, R6, R7, R19 220 Ом
- R8 1,5 кОм
- R9 15 кОм
- R10, R11 1 кОм
- R12 33 кОм
- R13, R14 56 Ом
- R15, R16 68 кОм
- R17 47 Ом
- R18 270 Ом
- R20 10 кОм
Конденсаторы
- C1, C7, C16, C17, C19, C24, C29, C31 1 нФ
- C3, C4, C5, C8 10 мкФ электролитический
- C6, C18, C30 220 мкФ электролитический
- C9, C10, C20 10 нФ
- C11 22 пФ
- C12 47 пФ
- C13 22 пФ
- C14, C15 15 пФ
- C21, C25, C26 65 пФ
- C22 100 пФ
- C23 5.6 пФ
- C27, C28 2 пФ
Катушки
- Катушки L1 6 витков, в 2 слоя, диаметр 5 мм, длина 5 мм
- Катушки L2 3 витка, диаметр 7 мм, длина 7 мм
- Катушки L3 4 витка, диаметр 5 мм, длина 7 мм
- Катушки L4 6 витков, диаметр 5 мм, длина 10 мм
Диоды
- D1 KV1310
- D2, D3 1N4148
- D4 обычный светодиод
- D5 1N4001
Транзисторы
- T1, T5 BC548
- T2, T3 BF494
- T4 2N4427

Передатчик должен быть установлен в алюминиевом заземленном корпусе. Напряжение питания от 9 до 16 В. При напряжении питания 16 В максимальная выходная мощность составляет 1 Вт, при 12 В 600 мВт и при 9 В — 200 мВт.

Дроссель H1 должен лежать и быть перпендикулярным как минимум к катушке L3. Если мы сделаем его на резисторе, этого недостаточно — дополнительно нужно положить бобышки под ножки резистора.

В качестве выходного транзистора для версии 1 Вт в этой схеме может работать хороший дешевый транзистор BFG35, который часто встречается в коротковолновых радиостанциях или кабельных усилителях ТВ. При мощности 1 Вт он будет только теплый, при том что радиатор — это просто кусок меди на плате 1 см2, к которой припаивается коллектор BFG35.
Обсудить статью FM ПЕРЕДАТЧИК НА 1W
Пятёрка лучших FM-трансмиттеров с AliExpress
LESHP F43
Максимально простой модулятор, который подключается к смартфону через традиционный 3,5-миллиметровый аудиовыход и питается от прикуривателя. Он не поддерживает соединение через Bluetooth, поэтому в связке с проводами в салоне выглядит достаточно громоздко. Но это оправдано стоимостью.
BT06 CarKit DC12-24V
Многофункциональный модулятор с неоновой подсветкой и целым набором из дополнительных возможностей, в числе которых вход для AUX и поддержка карт памяти SD. На его корпус выведены кнопки для изменения частоты радиовещания, что будет актуально в случае помех от стационарных станций.
Baseus Energy Column
Максимально компактный и стильный модулятор от именитого бренда, который всегда радует качеством и разумной стоимостью. Он поддерживает подключение по Bluetooth, а также USB-накопители. Гаджет самостоятельно ищет наиболее свободную радиоволну и предлагает настроиться на нее.
Xiaomi Roidmi 3s
Подобный пост не мог обойтись без Xiaomi. Данный гаджет похож на предыдущий, но выглядит еще более минималистично. Он не поддерживает USB-накопители, но настраивается с помощью мобильного приложения. Конечно, он работает с любым напряжением и может заряжать ваши гаджеты.
Hyundai KDsafe
Продвинутый модулятор с выносным цветным экраном и обилием возможностей. Он поддерживает AUX, а также USB-накопители. На его корпусе есть все необходимые элементы для контроля воспроизведения. Есть функция «Свободные руки» и отдельная кнопка для приема входящего вызова.
Сборка аудио передатчика
После приобретения всего необходимого наступает самый ответственный момент – подготовка платы и пайка радиодеталей. Вырезаем из текстолита прямоугольник таких размеров, чтобы он поместился в корпус. Берем в руки маркер, размечаем токоведущие дорожки и места крепления радиодеталей. Делаем травление, чтобы смыть с поверхности текстолита следы меди.

Высверливаем отверстия. С помощью паяльника наносим на плату припой, создавая тонкие токоведущие дорожки. С помощью иголки подчищаем промежутки между ними (чтобы они нигде не соприкасались). Припаиваем согласно схеме все нужные детали. Собранную схему помещаем в коробку. Крепим ее с помощью эпоксидного клея.

О том, как сделать различные аудио передатчики своими руками проводятся различные мастер-классы. Приводятся примеры различных схем, тщательно разбираются ошибки и подводные камни, которые появляются на пути домашнего мастера, когда он только начинает постигать азы электроники, не может отличить тиристора от транзистора.

В магазине электроники можно купить качественные аудио приемники, удовлетворяющие всем поставленным задачам – от прослушивания музыки, до слежки за соседями. При желании, их можно изготовить своими руками. Ничего сложного в их схеме и конструкции нет. При достаточном умении обращаться с паяльником можно творить чудеса, сделать все что угодно своими руками.

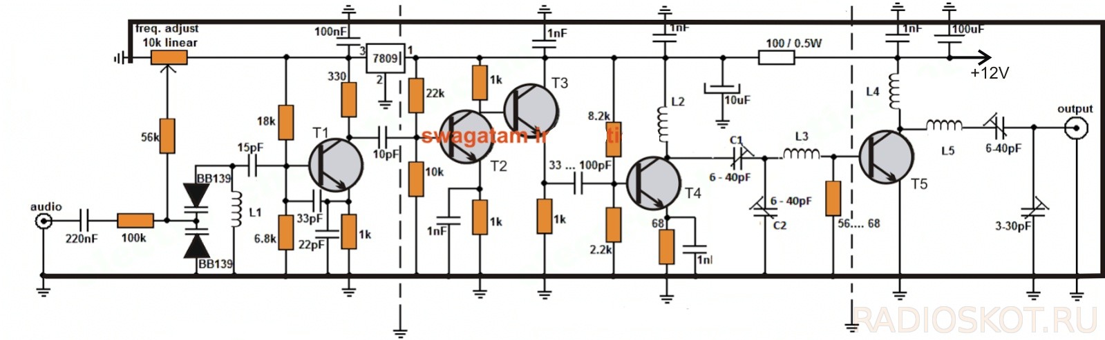
FM трансмиттер на 5 километров

Предлагаемый передатчик вещательного диапазона действительно очень устойчивый, имеет сложную, но качественную и продуманную схемотехнику, и использует стандартные FM-частоты 88 — 108 МГц. Его радиус действия составляет реальные 5 км. Схема включает в себя стабильный генератор питающийся через стабилизатор LM7809 — это 9 В стабилизированный источник питания, на транзисторе Т1 и элемент перестройки частоты потенциометр 10К. Мощность ВЧ выхода этого передатчика около 1 Вт. Пара варикапов MV2019 функционируют в качестве переменных конденсаторов.
Транзисторы Т2 и Т3 тут в качестве буферного каскада, где Т2 в качестве усилителя напряжения и Т3 — тока. Этот буфер необходим для стабилизации частоты проводя хорошую развязку между генератором и усилителем мощности ВЧ. Транзистор Т4 — предварительный усилитель, что позволяет подвести достаточную мощность к транзистору оконечника Т5. Как показано на схеме, Т4 имеет подстроечный конденсатор в коллекторе, это выставит резонансный контур по минимуму нежелательных гармоник. Катушки L2 и L3 должны быть под углом 90 градусов одна к другой, что позволяет предотвратить паразитные связи.
Заключительный каскад ФМ передатчика — мощный СВЧ транзистор не менее одного ватта мощности. Использовать нужно транзисторы 2N3866, 2N3553, KT920A, 2N3375, 2SC1970 или 2SC1971. Не забывайте поставить эффективный радиатор для транзистора Т5, потому что он при работе становится слегка теплым. Для схемы потребуется 12В/1А источник питания.
Моточные данные катушек:
- L1 = 5 витков на 4 мм каркасе
- L2 = 6 витков на 6 мм каркасе
- L3 = 3 витка на 7 мм каркасе
- L4 = 6 витков на 6 мм каркасе
- L5 = 4 витка на 7 мм каркасе
Всё мотается проводом около миллиметра в диаметре. Транзисторы T1 = T2 = T3 = T4 = BF199, T5 = 2N3866 или 2SC1971, BLY81, 2N3553.
Итого
FM-модулятор – в основном удел владельцев годовалых иномарок с хорошей штатной акустикой, не оборудованной USB и Bluetooth. Устройство это довольно капризное: передатчик чувствителен к помехам от электрооборудования авто и загруженности радиосети мегаполиса.
Мы не рекомендуем использовать этот гаджет для воспроизведения собственной коллекции музыки не только из этих соображений. Качество аудио откровенно плохое, и значительно уступает по этому параметру каналу AUX. Правило «самый лучший-значит качественный», отмеченное в материале, чем отмыть гудрон с кузова автомобиля без повреждения краски, здесь не работает. Говоря языком практики, даже самый лучший FM-трансмиттер звучит хуже городской радиостанции с хорошим сигналом. Объяснений этому факту несколько:
- Преобразование «цифры» в радиосигнал и обратная конвертация информации блоком бортовой аудиосистемы в звук – это разные этапы, на каждом из которых существуют свои потери.
- Крупные станции радиовещания используют специальные постпроцессоры, чтобы эфирная музыка качественно звучала через приемник.
Если коротко, то FM-модулятор мы рекомендуем к приобретению только как средство реализации технологии «Hands-free». В ином случае лучше купите плеер или присоедините телефон через мини-джек к разъему AUX, чтобы не разочароваться в качестве звука.














































